Trinity Evangelical Lutheran Church
Stanwood, WA
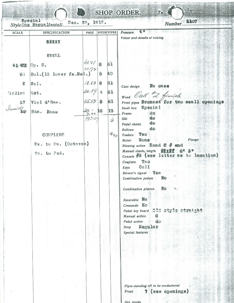
Opus 1107

 



Swell
8 Open Diapason   61 pipes
8 Melodia                61 pipes
8 Viol da Gamba     49 pipes
8 Dulciana               61 pipes
4 Octave                  61 pipes
16 Bourdon Bass   13 pipes
Sw to Sw 4
Sw to Ped

Pedal   "Old style straight

 

Shop Order




 
Sources
Estey Opus List
Shop Order
James Stettner 
  
 

Back